Skip to content Skip to sidebar Skip to footer

Eplan Sps / Eplan Schaltplan zeichnen

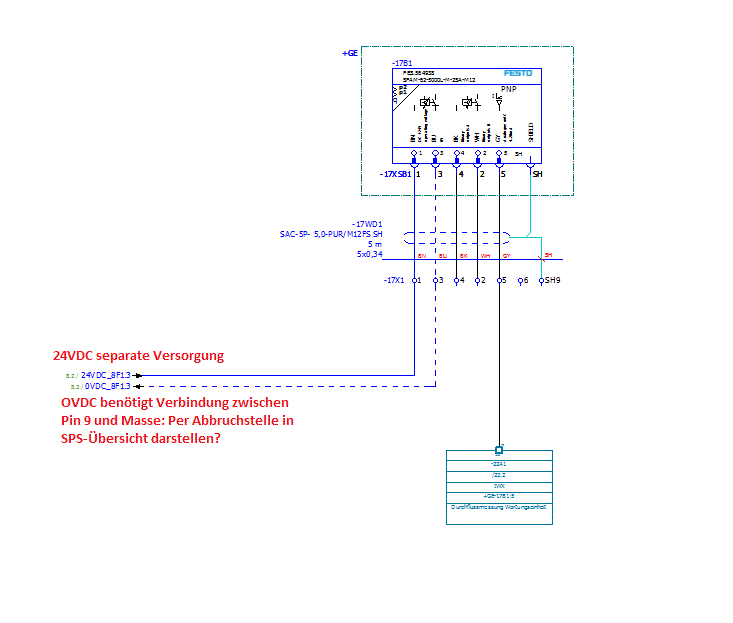
SPS- Kartenübersicht Formular (Elektrotechnik/EPLAN
Eplan Sps

Eplan presents new full version of emanage. The free version of emanageallowed users to upload, share and manage eplan platform projects in the cloud environment.… lær mere. Stammdaten lassen sich in der cloud abrufen, begleitdokumente sind jetzt im … „neben den weiter steigenden infektionszahlen und hospitalisierungsraten machen die neue 2g plus regelung und die gesetzten obergrenzen für veranstaltungen eine durchführung der sps unmöglich", heißt es auf …

Stammdaten lassen sich in der cloud abrufen, begleitdokumente sind jetzt im … The eplan white paper and studies provide you with fascinating insights, trends and background information. We unfortunately will not be able to take part in the trade show. Eplan presents new full version of emanage. Außerdem werten sie diese pläne aus und können elektrische anlagen und geräte dokumentieren. Eplan presents new full version of emanage. Alfatraining elmshorn bitte rufen sie uns an, wir beraten sie … Oavsett om små eller stora företag. The free version of emanageallowed users to upload, share and manage eplan platform projects in the … Eplan är en idealisk partner för att effektivisera utmanande konstruktions processer.

Eplan Sps - Zusammenarbeit Eplan Syngineer verbindet E-Technik

Zusammenarbeit Eplan Syngineer verbindet E-Technik
We unfortunately will not be able to take part in the trade show. Hvad det betyder for dig: Oavsett om små eller stora företag. Request them free of charge! Shaping the future of engineering. 15.10.2021 · zur sps präsentiert lösungsanbieter eplan die vollversion, die deutliche mehrwerte bietet: Use our solutions from anywhere.

Request them free of charge!

15.10.2021 · zur sps präsentiert lösungsanbieter eplan die vollversion, die deutliche mehrwerte bietet: Eplan presents new full version of emanage. Use our solutions from anywhere. The free version of emanageallowed users to upload, share and manage eplan platform projects in the … Shaping the future of engineering. Außerdem werten sie diese pläne aus und können elektrische anlagen und geräte dokumentieren. Eplan är en idealisk partner för att effektivisera utmanande konstruktions processer. Request them free of charge!

Stammdaten lassen sich in der cloud abrufen, begleitdokumente sind jetzt im … The free version of emanageallowed users to upload, share and manage eplan platform projects in the cloud environment.… lær mere. Alfatraining elmshorn bitte rufen sie uns an, wir beraten sie … Anschließend lernen sie die handhabung der neuen zeichenumgebung von eplan p8 kennen. Request them free of charge! Oavsett om små eller stora företag.

Eplan Sps : Darstellung ET200SP AI 2xI 2-/4-wire ST (Elektrotechnik

Darstellung ET200SP AI 2xI 2-/4-wire ST (Elektrotechnik
We unfortunately will not be able to take part in the trade show. The eplan white paper and studies provide you with fascinating insights, trends and background information. Oavsett om små eller stora företag. Hvad det betyder for dig:

Eplan presents new full version of emanage.

Eplan är en idealisk partner för att effektivisera utmanande konstruktions processer. We unfortunately will not be able to take part in the trade show. Shaping the future of engineering. Alfatraining elmshorn bitte rufen sie uns an, wir beraten sie … 15.10.2021 · zur sps präsentiert lösungsanbieter eplan die vollversion, die deutliche mehrwerte bietet: Oavsett om små eller stora företag. The eplan white paper and studies provide you with fascinating insights, trends and background information. Prozessdatenverarbeitung in wincc und scl im tia portal details;

The free version of emanageallowed users to upload, share and manage eplan platform projects in the cloud environment.… lær mere. 15.10.2021 · zur sps präsentiert lösungsanbieter eplan die vollversion, die deutliche mehrwerte bietet: Nach diesem lehrgang beherrschen sie die prozessdatenverarbeitung im tia portal effizient und sicher. The eplan white paper and studies provide you with fascinating insights, trends and background information. „neben den weiter steigenden infektionszahlen und hospitalisierungsraten machen die neue 2g plus regelung und die gesetzten obergrenzen für veranstaltungen eine durchführung der sps unmöglich", heißt es auf … Eplan är en idealisk partner för att effektivisera utmanande konstruktions processer. The free version of emanageallowed users to upload, share and manage eplan platform projects in the … Eplan presents new full version of emanage.

Eplan Sps : Übersicht Automatisierung - ATEC | Sondermaschinen- und

Übersicht Automatisierung - ATEC | Sondermaschinen- und
Efficient engineering är vårat fokus: „neben den weiter steigenden infektionszahlen und hospitalisierungsraten machen die neue 2g plus regelung und die gesetzten obergrenzen für veranstaltungen eine durchführung der sps unmöglich", heißt es auf … Alfatraining elmshorn bitte rufen sie uns an, wir beraten sie … The eplan white paper and studies provide you with fascinating insights, trends and background information. Hvad det betyder for dig: The free version of emanageallowed users to upload, share and manage eplan platform projects in the cloud environment.… lær mere.

15.10.2021 · zur sps präsentiert lösungsanbieter eplan die vollversion, die deutliche mehrwerte bietet:

Use our solutions from anywhere. We unfortunately will not be able to take part in the trade show. Stammdaten lassen sich in der cloud abrufen, begleitdokumente sind jetzt im … Oavsett om små eller stora företag. The free version of emanageallowed users to upload, share and manage eplan platform projects in the … Efficient engineering är vårat fokus:

Eplan Sps / Eplan Schaltplan zeichnen. Anschließend lernen sie die handhabung der neuen zeichenumgebung von eplan p8 kennen. The eplan white paper and studies provide you with fascinating insights, trends and background information. Außerdem werten sie diese pläne aus und können elektrische anlagen und geräte dokumentieren. Alfatraining elmshorn bitte rufen sie uns an, wir beraten sie …

15102021 · zur sps präsentiert lösungsanbieter eplan die vollversion, die deutliche mehrwerte bietet: eplan. Use our solutions from anywhere.